
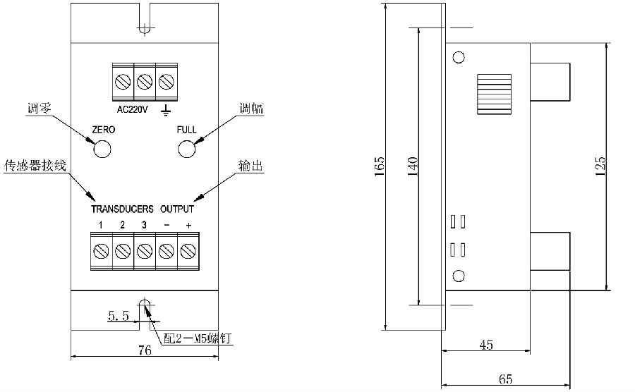
1、概述
XCBSQ系列LVDT变送器是针对三线制和六线制LVDT而设计,具有精度高、性能稳定、抗干扰能力强、可靠性高等特点。适合阀位行程的监视,已广泛应用于电力、机械、化工和冶金等企业。产品执行标准参照GB/T17614.1-2008和GB/T17614.2-2008。
2、用途
适用于三线制或六线制LVDT输出信号的解调和放大。
3、接线示意图
■DC24V变送器
☆TD-1、TD-2和UT-81系列三线制变送器

☆TD、TK系列六线制变送器

■AC220V变送器
☆TD-1、TD-2和UT-81系列三线制变送器(单路输出)。

☆TD-1、TD-2和UT-81系列三线制变送器(双路输出)。

订货指南
订货代号:XCBSQ-A□□/□□-B□□-C□□
传感器选择:A□□/□□□(/后面直接填写传感器行程,单位为mm,正负行程加“±”标识)
01:六线制TD/TK系列位移传感器
02:三线制TD-1系列位移传感器
03:三线制TD-2系列热膨胀传感器
04:三线制UT—81系列油箱油位传感器
电源选择:B□□
01:直流24V
02:交流220V
输出选择:C□□01:单路4~20mA
02:单路1~5V
11:双路4~20mA
22:双路1~5V
12:4~20mA和0~5V输出
00:定制
综合举例:订货代号为“XCBSQ-03/035-01-01的产品指以DC24V为电源、配置35mm行程TD-2系列热膨胀传感器、单路输出4~20mA的XCBSQ系列LVDT变送器。
代码 | 传感器选择 | 行程选择(mm) | 电源选择 | 输出选择 | |||||||
DC24V | AC220V | 单路 | 单路 | 双路 | 双路 | 0~5V | 定制 | ||||
4~20mA | 1~5V | 4~20mA | 1~5V | 4~20mA | |||||||
XCBSQ | TD/TK系列 | 01 | 50~1000 | 01 | 不可选 | 01 | 02 | 11 | 22 | 12 | 00 |
TD-1系列 | 02 | 20~600 | 01 | 02 | 01 | 02 | 11 | 22 | 12 | 00 | |
TD-2系列 | 03 | 25~80
| 01 | 02 | 01 | 02 | 11 | 22 | 12 | 00 | |
UT-81 系列 | 04 | 士100~ 士400 | 01 | 02 | 01 | 02 | 11 | 22 | 12 | 00 | |